Interface Optimization for Wearable Hand Robots

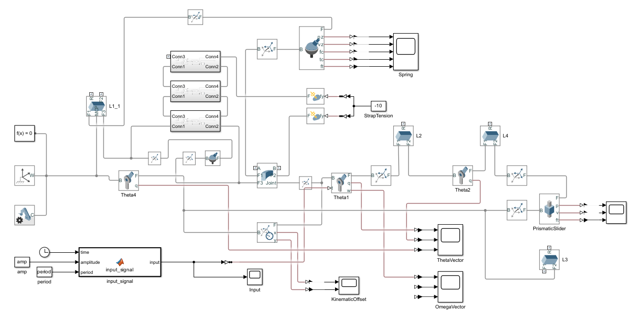
This research investigated how interface stiffness parameters affect the trade-off between user comfort and device interaction quality in hand exoskeletons. The study used simulation modeling and controlled human subject experiments to establish design principles for optimizing wearable robot attachments.

Contributions:

  • Conducted systematic human subject study (N=12) implementing A/B testing methodology with randomized interface stiffness conditions and controlled experimental protocols

  • Developed Simscape Multibody simulation model incorporating realistic human tissue properties to predict interface behavior and generate testable hypotheses

  • Implemented statistical analysis using Bradley-Terry modeling and likelihood-ratio tests to quantify qualitative user comfort assessments from paired comparison data

  • Established design principles through mixed-effects modeling showing bending stiffness affects interaction quality (p<0.001) while compressive stiffness influences user comfort

Collaborators: Gaurav Mukherjee, Raymond King, Stefano Dalla Gasperina, Ashish D. Deshpande

Related Publications: